Перейти к контенту

Nargis

Пользователи
  • Число публикаций

    8
  • Регистрация

  • Последнее посещение

Репутация

0 Нейтральная

Просматривали профиль

Блок недавних посетителей отключен и не доступен другим пользователям для просмотра.

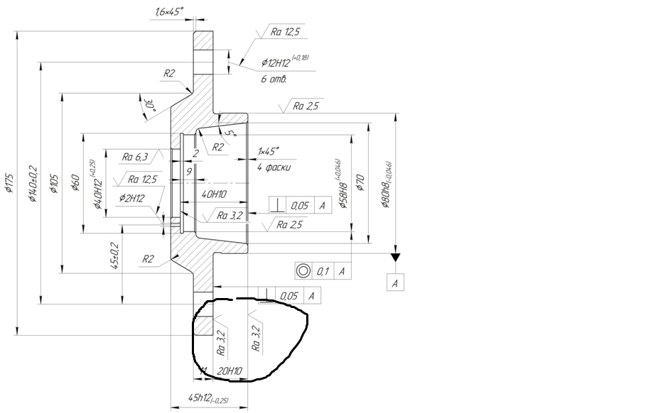
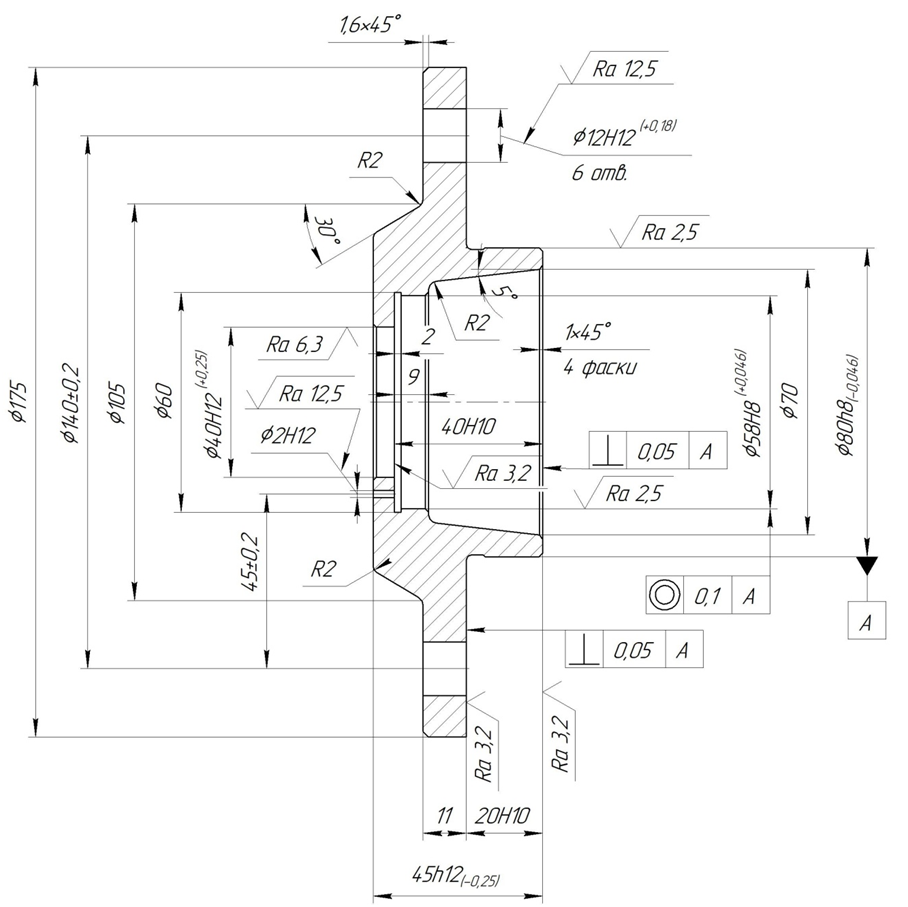
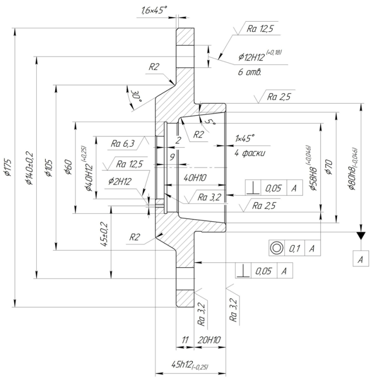
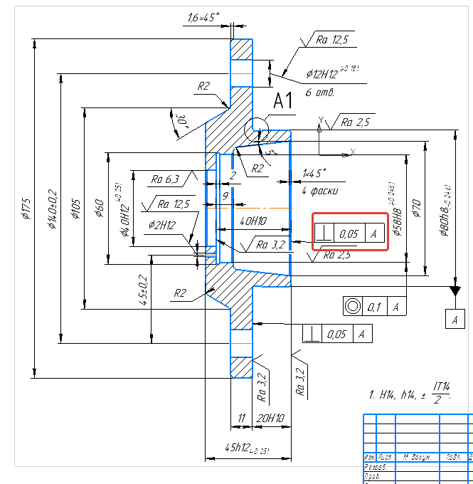
  1. а допуск перпендикулярности, который рядом с этой шероховатость, относится к размеру ⌀175 мм?
  2. Да, с этими шероховатостями я разобралась, но вот не очень понимаю, к каким размерам относится шероховатость Ra 3,2
  3. Добрый день. Нужно проанализировать шероховатость на чертеже и допуски формы и , чтобы определить степень точности шероховатости, нужно знать соотношение между допуском на размер и допуском формы. Вопрос: к какому номинальному размеру относятся знаки шероховатости на данном чертеже (чтобы понимать, какой допуск на размер выбирать?
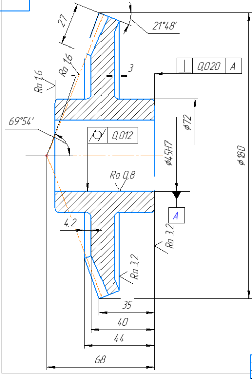
  4. Здравствуйте! Каким образом можно измерить отклонение от цилиндричности? Каким образом базировать деталь? Ведь тут база - ось отверстия, как я понимаю. В патроне разве можно? Индикаторным нутромером можно измерить?
  5. Как измерить отклонение от перпендикулярности на данном чертеже? Как базировать данную деталь, на поверочной плите? Можно ли измерить поверочным угольником и щупами?
×
×
  • Создать...