-
Число публикаций
31 -
Регистрация
-
Последнее посещение
Репутация
0 НейтральнаяО carryheart
- День рождения 2 Августа
Личная информация
-
Пол
муж
Просматривали профиль
-
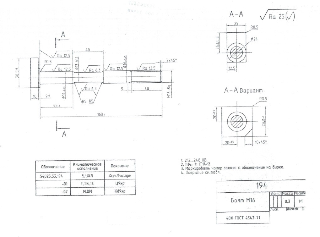
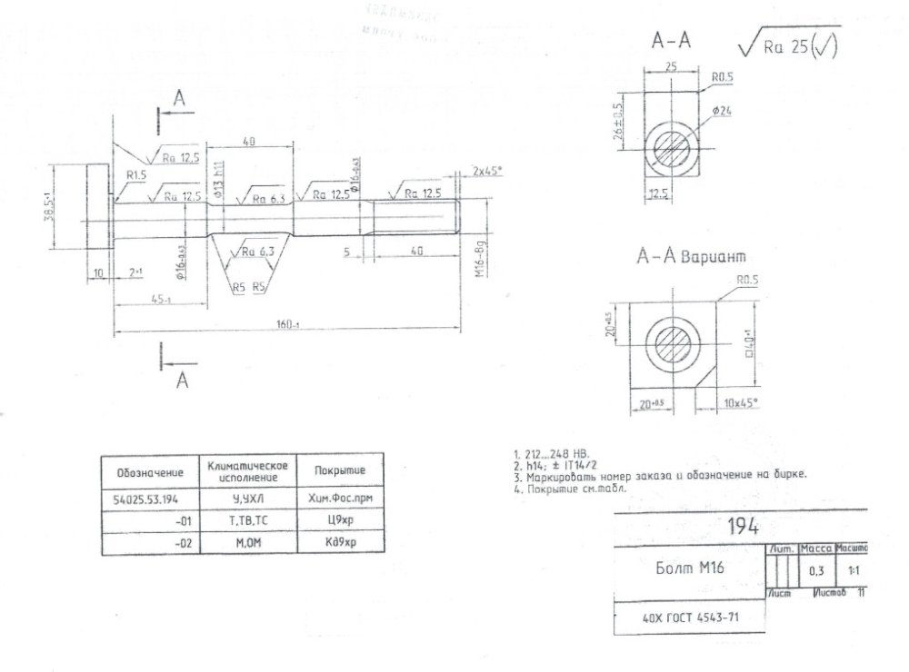
Возможно ли изготовление болтов с помощью сварки? Выручайте ребят
carryheart ответил на тема форума автора carryheart в Другое
Согласен, ответ от заказчика: Деталь на чертеже показана цельная, на чертеже не было показано сварки, либо какого- нибудь склеивания. Если деталь делается из нескольких частей, то на каждый составной элемент делается свой чертеж, отображается весь конструктив элементов. Для сборной конструкции делается сборочный чертеж с указанием места и способ неразъемного соединения. Если с применением сварки - указывается тип электродов или проволоки. У вас сборная конструкция, что противоречит нашему чертежу. -
Возможно ли изготовление болтов с помощью сварки? Выручайте ребят
тема форума создал carryheart в Другое
Здравствуйте уважаемые форумчане! Собственно очень интересный вопрос, для тех кто разбирается, буду крайне признателен за ваши ответы! Почему по этому чертежу заказчик нас уверяет что недопустимо изготавливать данные болты с помощью сварки и категорически против принимать данную продукцию? Часа три разбирались и не смогли найти ответы на этот вопрос, хочется не ударить в грязь лицом, поэтому уже обращаемся к вам и не только. Посоветуйте пожалуйста:) Фото чертежа и болта во вложении! -
Существуют ли каакие то сроки приёмки метизов?
carryheart ответил на тема форума автора carryheart в Пятница
ради мимопроходящих заказчиков с заказом на 2рубля раз в полгода, нет смысла чем то дорожить. Без них более чем достаточно постоянных клиентов -
Существуют ли каакие то сроки приёмки метизов?
carryheart ответил на тема форума автора carryheart в Пятница
Никто в бутылку и не лезет, а когда заказ на две копейки, и больше денег отдал в итоге на печатание бумаг и перевозку, невольно задаёшься подобным вопросом как у меня. Все вы такие тут честные и правильные, куда не глянь -
Существуют ли каакие то сроки приёмки метизов?
carryheart ответил на тема форума автора carryheart в Пятница
ага, а девушки не зная чей сын, тоже должны по вашему разбираться в этом спустя пару лет, когда заметят, что он как то сильно похож на соседа, который уехал жить куда-нибудь на северный полюс? -
Существуют ли каакие то сроки приёмки метизов?
carryheart ответил на тема форума автора carryheart в Пятница
Не правда) Мы являемся добросовестным и надёжным поставщиком качественной продукции, полностью соответствующей всем действующим стандартам) -
Существуют ли каакие то сроки приёмки метизов?
carryheart ответил на тема форума автора carryheart в Пятница
Спасибо уважаемые, разобрался. Действительно в нашем случае будет более логично ссылаться на П-7 всё таки -
Существуют ли каакие то сроки приёмки метизов?
carryheart ответил на тема форума автора carryheart в Пятница
П-6 П-7 - это простите какого документа? -
Существуют ли каакие то сроки приёмки метизов?
carryheart ответил на тема форума автора carryheart в Пятница
с данным заказчиком, договор в том то и дело не заключали. Иначе я не задавался бы подобным вопросом у вас)) В договорах безусловно все сроки указываются, не говорите уж настолько плохо о наших юристах) действительно, в таком случае остаётся сослаться на ГОСТ 18160-72 -
Существуют ли каакие то сроки приёмки метизов?
carryheart ответил на тема форума автора carryheart в Пятница
вопрос в обычных шпильках из стали 40Х, сроки приёмки не указали, но прошло уже более 7 месяцев, у нас даже никакой гарантии нет, что это именно наши шпильки вообще Я же не отпишу им, что за 7 месяцев сталь 40Х могла превратиться в колбасу вот и ищу какие либо ГОСТЫ. Ну правда не дело это - спустя более полугода после приёмки, писать претензию заказчик спустя 7 мес опомнился что сталь то другая, а в договоре в 90% случаев указываем, что срок приёмки претензии - 3 дня со дня поставки -
Здравствуйте! Нестандартный немного вопрос. Скажите пожалуйста, существуют ли какие то сроки приёмки метизов по какому-нибудь ГОСТу? Суть - возможно ли принимать претензии на продукцию от заказчика, который получил её более полугода назад? Есть какие то нормативные документы на срок приёмки, при отсутствии договора с заказчиком?
-
Подскажите в чём может быть подвох! :)
carryheart ответил на тема форума автора carryheart в Пятница
Извините, а вы не могли бы подсказать подобный метизный сайт/форум? Можно в ЛС, буду очень сильно благодарен -
Подскажите в чём может быть подвох! :)
carryheart ответил на тема форума автора carryheart в Пятница
И совсем не обязательно указывать, что после термообработки, а что без неё))) -
Подскажите в чём может быть подвох! :)
carryheart ответил на тема форума автора carryheart в Пятница
Тем не менее, я это сформулировал как: Шпилька 42 изготавливалась из заготовки круга 50, термообрабатывалась и точилась, шпилька 36 изготавливалась из калиброванного 36 круга, термообрабатывалась и методом накатки накатывалась резьба. Для накатывания термообработаннового материала м42 и выше, технической возможности у нас нет. Поэтому м42 изготавливаем на токарном оборудовании. -
Подскажите в чём может быть подвох! :)
carryheart ответил на тема форума автора carryheart в Пятница
Слева может после термообработки?
