tituszx
Пользователи-
Число публикаций
123 -
Регистрация
-
Последнее посещение
Тип контента
Профили
Форумы
События
Библиотека
Интернет-журнал
Статьи
Весь контент пользователя tituszx
-
Почему?
-
Сфера государственного регулирования
tituszx ответил на тема форума автора rus034 в Законодательная метрология
Выглядит примерно так. Ничего интересного -
Сфера государственного регулирования
tituszx ответил на тема форума автора rus034 в Законодательная метрология
Параметры, которые относятся к сфере ГРОЕИ в МО РФ можете посмотреть на стр. 4 вложенного файла. Это будет множество А Параметры, которые вообще контролируются у самолетов, указаны в технологических картах регламента технического обслуживания, будет множество B. Пересечение множеств А и B даст ответ на Ваш вопрос. epi-izm (1).pdf -
Поверка электрических секундомеров ПВ-53Щ
tituszx ответил на тема форума автора BG83 в Проведение поверки
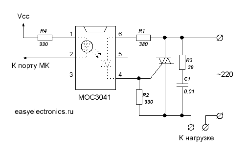
Судя по описанию типа, выход у СТЦ-2М - открытый коллектор. Напряжения на нем быть и не должно. Для поверки ПВ-53 необходимо переменное напряжение 110 или 220 В. Поэтому подключить придется примерно по следующей схеме из статьи. "К порту МК" подключить к контакту 7 XS1 (Таймер ключ (+)); "Vcc" подключить к контакту 2 XS1 (+5 В); Контакт 6 XS1 (Таймер ключ (-)) соединить с контактом 10 XS1 (Общий); ПВ53 подключить к клеммам "К нагрузке"; Клеммы 220 к сети 220 В. Правая часть схемы соединена с опасным напряжением 220 В. Соблюдайте требования безопасности при работе. Подключаете 220 В только на время проведения измерений после подключения секундомера. -
Идентификация ПО СИ. Как по-хорошему?
tituszx ответил на тема форума автора rmetr в Утверждение типа средств измерений
Пишем идентификационный признак. Его либо вычисляем, если собираемся дальше использовать по назначению. Либо берем из справочника Стеля, если нужен для галочки.- 105 ответов
-
- идентификация по си
- по си
-
(и еще 2 )
Отмечено тегом:
-
Идентификация ПО СИ. Как по-хорошему?
tituszx ответил на тема форума автора rmetr в Утверждение типа средств измерений
Читаем Р 50.2.077-2014 5.2.2 Функциональные проверки 5.2.2.1 Идентификация ПО СИ, проводимая пользователем (испытателем), может быть либо осуществлена по его команде, либо выполнена в процессе штатного функционирования СИ. Если у СИ отсутствуют средства индикации, идентификационные данные могут направляться через интерфейс связи и отображаться (печататься) на другом электронном устройстве. Для СИ, устройство которых обеспечивает полное ограничение доступа к программному обеспечению (см. 4.3), данная проверка не проводится.- 105 ответов
-
- идентификация по си
- по си
-
(и еще 2 )
Отмечено тегом:
-
Идентификация ПО СИ. Как по-хорошему?
tituszx ответил на тема форума автора rmetr в Утверждение типа средств измерений
Ссылку на нормативный документ приведите, пожалуйста- 105 ответов
-
- 1
-
-
- идентификация по си
- по си
-
(и еще 2 )
Отмечено тегом:
-
Идентификация ПО СИ. Как по-хорошему?
tituszx ответил на тема форума автора rmetr в Утверждение типа средств измерений
Это Ваше мнение. Р 50.2.077-2014 регламентирует что, кто и когда проводит.- 105 ответов
-
- 1
-
-
- идентификация по си
- по си
-
(и еще 2 )
Отмечено тегом:
-
Идентификация ПО СИ. Как по-хорошему?
tituszx ответил на тема форума автора rmetr в Утверждение типа средств измерений
Ноги растут из пункта 5.2.1.1 Р 50.2.077-2014. Требование в документе есть, значит пишем в ОТ. Вообще, рекомендую дочитать данный пункт до конца. И предыдущий тоже.- 105 ответов
-
- идентификация по си
- по си
-
(и еще 2 )
Отмечено тегом:
-
Идентификация ПО СИ. Как по-хорошему?
tituszx ответил на тема форума автора rmetr в Утверждение типа средств измерений
Зачем определять то, чего не требуется или прямо допускается не определять согласно НТД? Точно так же может возникнуть желание измерить массу или линейные размеры, потребляемый ток или ещё что-нибудь. Имеем: 1. Есть "желание". 2. В НТД это "желание" не требуется. 3. "Желание" не влияет на определение МХ при поверке 4. Ценностью СИ являются МХ подтвержденные поверкой В итоге: есть "желание" которое не требуется и не на что не влияет. Зачем оно?- 105 ответов
-
- идентификация по си
- по си
-
(и еще 2 )
Отмечено тегом:
-
Идентификация ПО СИ. Как по-хорошему?
tituszx ответил на тема форума автора rmetr в Утверждение типа средств измерений
И что? В ОТ и масса с батарейками есть. Зачем она Вам. Русским языком сказано, что если на дисплее не отображается, то и проверять не надо. Термометр не счетчик нефтепродуктов на трубопроводе- 105 ответов
-
- идентификация по си
- по си
-
(и еще 2 )
Отмечено тегом:
-
Идентификация ПО СИ. Как по-хорошему?
tituszx ответил на тема форума автора rmetr в Утверждение типа средств измерений
При первичной читаем внимательно пункт 10.3.1 МИ 3555-2016- 105 ответов
-
- идентификация по си
- по си
-
(и еще 2 )
Отмечено тегом:
-
Идентификация ПО СИ. Как по-хорошему?
tituszx ответил на тема форума автора rmetr в Утверждение типа средств измерений
В описании типа 64535-16 указан документ по которому производится поверка: МИ 3555-2016. В таблице 1 пункта 4.1 МИ 3555-2016 указано, что идентификация ПО при периодической поверке не требуется. Читаем НД и радуемся, что теперь не надо идентифицировать ПО- 105 ответов
-
- идентификация по си
- по си
-
(и еще 2 )
Отмечено тегом:
-
Идентификация ПО СИ. Как по-хорошему?
tituszx ответил на тема форума автора rmetr в Утверждение типа средств измерений
Заодно приведите пример методики поверки, где нужно идентифицировать ПО, а никак не получается или у Вас возникают обоснованные сомнения- 105 ответов
-
- идентификация по си
- по си
-
(и еще 2 )
Отмечено тегом:
-
Идентификация ПО СИ. Как по-хорошему?
tituszx ответил на тема форума автора rmetr в Утверждение типа средств измерений
Защита ПО By Design- 105 ответов
-
- идентификация по си
- по си
-
(и еще 2 )
Отмечено тегом:
-
Идентификация ПО СИ. Как по-хорошему?
tituszx ответил на тема форума автора rmetr в Утверждение типа средств измерений
Там заказные микросхемы. ПО не изменить. Считайте что там внутри К155ЛА3 И К155ТМ2.- 105 ответов
-
- идентификация по си
- по си
-
(и еще 2 )
Отмечено тегом:
-
Идентификация ПО СИ. Как по-хорошему?
tituszx ответил на тема форума автора rmetr в Утверждение типа средств измерений
Аргументируйте. Приведите пример ПО, которое нуждаеся в проверке и которое нельзя идентифицировать- 105 ответов
-
- идентификация по си
- по си
-
(и еще 2 )
Отмечено тегом:
-
R&S®RTM1054 в обличии С8-205/4 от ВНИИФТРИ
tituszx ответил на тема форума автора tituszx в Rohde&Schwarz
Интересно, что купили: контейнер OEM осциллографов и право наклеивать название или весь комплект производственной документации и исходники ПО и право производства? Сделано в России на сколько %? Хотя, как у нас всё делается, лучше чтобы этот процент стремился к нулю -
Поясните, пожалуйста, в чём суть выдавать один осциллограф за другой? RTM1054 C8 от ВНИИФТРИ Нельзя ли закупать сразу R&S? Или просто ВНИИФТРИ замыкает через себя канал поставки этих осциллографов?
-
Идентификация ПО СИ. Как по-хорошему?
tituszx ответил на тема форума автора rmetr в Утверждение типа средств измерений
В большинстве случаев не нужна и не возможно. А так, я Вам уже привел пример TPM. При загрузке проверяется контрольная сумма и ещё что-нибудь, если не совпадает, то устройство выдает ошибку. TPM блокирует запуск. Так решилась проблема идентификации, вернее даже самоидентификации. Вам даже делать ничего не нужно. Хотите обновить - нет проблем. Но только через разрешение от аналога TrustedInstaller или подобного, способного занести новую контрольную сумму в TPM. Но для этого необходим ключ шифрования. Проблем с тем, чтобы что-то проверить нет совершенно. Проблема в том, что других, более насущных проблем хватает. Да и внедрение дополнительных технологий - это дополнительные расходы. А какая выгода? Будет выгода будет и внедрение. Нет выгоды - будет имитация- 105 ответов
-
- 2
-
-
- идентификация по си
- по си
-
(и еще 2 )
Отмечено тегом:
-
Идентификация ПО СИ. Как по-хорошему?
tituszx ответил на тема форума автора rmetr в Утверждение типа средств измерений
Отправьте на завод, они сравнят прошивку с оригиналом. Или сразу загрузят Вам оригинальную версию. Сразу после этого пломбируете двумя печатями, своей и завода. Печати на месте - значит ПО без изменений.- 105 ответов
-
- идентификация по си
- по си
-
(и еще 2 )
Отмечено тегом:
-
Идентификация ПО СИ. Как по-хорошему?
tituszx ответил на тема форума автора rmetr в Утверждение типа средств измерений
Зачем? Или Вы его обновлять собрались? Опломбирован, значит ПО в норме. То что доктор прописал)- 105 ответов
-
- идентификация по си
- по си
-
(и еще 2 )
Отмечено тегом:
-
Идентификация ПО СИ. Как по-хорошему?
tituszx ответил на тема форума автора rmetr в Утверждение типа средств измерений
Осталось встроить это дело в СИ и наслаждаться.- 105 ответов
-
- идентификация по си
- по си
-
(и еще 2 )
Отмечено тегом:
-
Идентификация ПО СИ. Как по-хорошему?
tituszx ответил на тема форума автора rmetr в Утверждение типа средств измерений
Представляю Вашему вниманию Trusted Platform Module Краткий обзор Trusted Platform Module (TPM), содержащий в себе криптопроцессор, обеспечивает средства безопасного создания ключей шифрования, способных ограничить использование ключей (как для подписи, так и для шифрования/дешифрования) с той же степенью неповторяемости, что и генератор случайных чисел. Также этот модуль имеет следующие возможности: удалённую аттестацию, привязку и надёжное защищённое хранение. Удалённая аттестация создаёт связь аппаратных средств, загрузки системы и конфигурации хоста (ОС компьютера), разрешая третьему лицу (вроде цифрового магазина музыки) проверять, чтобы программное обеспечение или музыка, загруженная из магазина, не были изменены или скопированы пользователем (см. DRM). Криптопроцессор шифрует данные таким способом, что они могут быть расшифрованы только на компьютере, где были зашифрованы, под управлением того же самого программного обеспечения. Привязка шифрует данные, используя ключ подтверждения TPM — уникальный ключ RSA, записанный в чип в процессе его производства, или другой ключ, которому доверяют.[3] Модуль TPM может использоваться, чтобы подтвердить подлинность аппаратных средств. Так как каждый чип TPM уникален для специфического устройства, это делает возможным однозначное установление подлинности платформы. Например, чтобы проверить, что система, к которой осуществляется доступ — ожидаемая система. Всё придумано до нас- 105 ответов
-
- идентификация по си
- по си
-
(и еще 2 )
Отмечено тегом:
-
Идентификация ПО СИ. Как по-хорошему?
tituszx ответил на тема форума автора rmetr в Утверждение типа средств измерений
Корректор частоты на частотомерах и стандартах именно так и пломбирую. Порты информационного обмена в принципе не должны быть предназначены для изменения ПО СИ, кроме как вкупе с опломбируемым переключателем.- 105 ответов
-
- идентификация по си
- по си
-
(и еще 2 )
Отмечено тегом:
