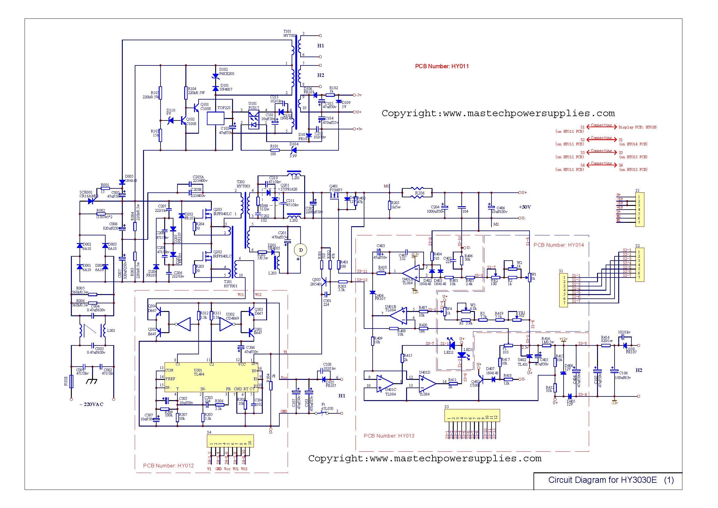
rutik 2 Опубликовано 27 Января 2020 Жалоба Опубликовано 27 Января 2020 Добрый день. Имеется источник питания Mastech HY3030E. Выдает нестабильное напряжение. При вскрытии видимых дефектов не выявлено. В чем может быть причина, что смотреть? Возможно у кого есть схемы. Цитата
Monster PC 32 Опубликовано 27 Января 2020 Жалоба Опубликовано 27 Января 2020 Напряжение на блоке плавает с подключенной нагрузкой или без неё тоже? Цитата
rutik 2 Опубликовано 27 Января 2020 Автор Жалоба Опубликовано 27 Января 2020 С нагрузкой и без нее. Цитата
Логинов Владимир 899 Опубликовано 28 Января 2020 Жалоба Опубликовано 28 Января 2020 Советую проверить переменные резисторы на передней панели для начала и электролиты Цитата
Специалисты Дмитрий Борисович 1016 Опубликовано 28 Января 2020 Специалисты Жалоба Опубликовано 28 Января 2020 15 часов назад, Логинов Владимир сказал: для начала и электролиты Вы шаман? Цитата
rutik 2 Опубликовано 30 Января 2020 Автор Жалоба Опубликовано 30 Января 2020 В 28.01.2020 в 04:38, Логинов Владимир сказал: Советую проверить переменные резисторы на передней панели для начала и электролиты Похоже проблема была в переменных резисторах (для регулировки напряжения) Поменял с донора - стало стабильнее. Попробую отдать на поверку Цитата
Логинов Владимир 899 Опубликовано 30 Января 2020 Жалоба Опубликовано 30 Января 2020 В 28.01.2020 в 23:57, Дмитрий Борисович сказал: Вы шаман? Есть немного. Ну и просто мы уже такой ремонтировали Цитата
Специалисты Дмитрий Борисович 1016 Опубликовано 30 Января 2020 Специалисты Жалоба Опубликовано 30 Января 2020 2 часа назад, Логинов Владимир сказал: Есть немного. Ну и просто мы уже такой ремонтировали Конечно это была шутка..простите... Мы даже мониторы ремонтируем для своих нужд по этому принцЫпу. Вскрываешь и смотришь есть ли электролиты "слегка" вздувшиеся? И не задумываясь их меняешь... Причем не обязательно того номинала... стоит 1000 мкФ... можно ставить от 800 до 2200 мкФ. Работает! Цитата
tengri7 0 Опубликовано 11 Апреля 2020 Жалоба Опубликовано 11 Апреля 2020 здравствуйте, помогите со схемой и советом с mastech HY5005e-2, попал в руки убитый БП работает только индикация, два ключа IRF840 разливались и нет одной втычной платы HY012, с чего начать? Цитата
Nkopenkin64 0 Опубликовано 3 Марта 2023 Жалоба Опубликовано 3 Марта 2023 hy3060e master без нагрузки постепенно повышается напряжение Цитата
10 сообщений в этой теме
Рекомендуемые сообщения
Присоединиться к обсуждению
Вы можете ответить сейчас, а зарегистрироваться позже. Если у вас уже есть аккаунт, войдите, чтобы ответить от своего имени.