Перейти к контенту

253 сообщения в этой теме

Рекомендуемые сообщения

  • Ответы 252
  • Создана
  • Последний ответ

Лучшие авторы в этой теме

Лучшие авторы в этой теме

Загружено фотографий

Опубликовано
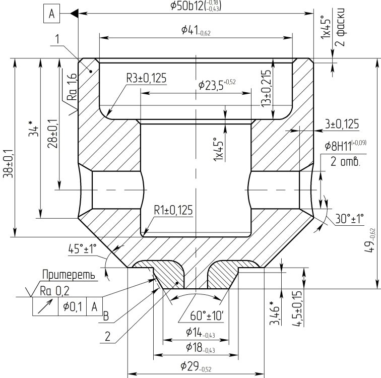
3 часа назад, Алексей Николаевич Н сказал:

А если координатно-измерительную машину использовать?

Если контактную, то это надо иметь щуп с очень маленьким шариком и достаточным удлинителем, что бы достать до этого отверстия и не биться при этом модулем об стенки отв. диам 23. И как по мне, там слишком короткая образующая конуса, в нее сложно будет попасть.

А если бесконтактную (лазерное сканирование), то если луч достанет на такую глубину, то может быть и возможно (у меня такой нет, поэтому точнее подсказать не могу)

Присоединиться к обсуждению

Вы можете ответить сейчас, а зарегистрироваться позже. Если у вас уже есть аккаунт, войдите, чтобы ответить от своего имени.

Гость
Ответить в этой теме...

×   Вы вставили отформатированный текст.   Удалить форматирование

  Допустимо не более 75 смайлов.

×   Ваша ссылка была автоматически заменена на медиа-контент.   Отображать как ссылку

×   Ваши публикации восстановлены.   Очистить редактор

×   Вы не можете вставить изображения напрямую. Загрузите или вставьте изображения по ссылке.

Загрузка...

Информация

  • Недавно просматривали   0 пользователей

    • Ни один зарегистрированный пользователь не просматривает эту страницу.
×
×
  • Создать...