ciclon79 0 Опубликовано 27 Июля 2011 Жалоба Опубликовано 27 Июля 2011 Здравствуйте, товарищи, господа метрологи! У нас в предприятии хотят закупить расходомеры кориолисовые Micro Motion (производство Метран). напишите пожалуйста,если кому встречались в процессе эксплуатации, как зарекомендовали эти расходомеры. На нашем предприятие хотят поставить для коммерческого учета нефтепродуктов (на установке производства бензина и дальнейший отпуск продукции в товарный парк)и есть один нюанс- на узле смешения, где хотят их установить в процессе технологического режима на линиях измерения возможны пары нефтепродуктов? Цитата
Werozzo 7 Опубликовано 27 Июля 2011 Жалоба Опубликовано 27 Июля 2011 Здравствуйте, товарищи, господа метрологи! У нас в предприятии хотят закупить расходомеры кориолисовые Micro Motion (производство Метран). напишите пожалуйста,если кому встречались в процессе эксплуатации, как зарекомендовали эти расходомеры. На нашем предприятие хотят поставить для коммерческого учета нефтепродуктов (на установке производства бензина и дальнейший отпуск продукции в товарный парк)и есть один нюанс- на узле смешения, где хотят их установить в процессе технологического режима на линиях измерения возможны пары нефтепродуктов? Расходомеры кориолисовые Micro Motion - производство Emerson. Очень неплохие расходомеры. Есть недостатки - большие потери давления, чувствительны к вибрациям, для многофазных потоков непригодны - погрешность растет... Тут еще недостаток единиц измерения - массовый расходомер, если переходить к обьему уже косвенный метод. Сложна поверка на месте эксплуатации: поверять приходится обьемным методом и как правило через эталон-сравнение (прувер - турбина+плотномер - расходомер) хотя нормативная документация подогнана до мм, все равно есть осадок по достоверности, особенно при реальном потоке (уж слишком много влияющих воздействий и говорить о нормальном распределении результатов измерений как то сомнительно) Про "пары" немного непонятно. какое давление на линии?В целом у нас на предприятиях работают на газе, конденсате, сырой нефти - при граммотном использовании проблем возникнуть не должно. Цитата
ciclon79 0 Опубликовано 28 Июля 2011 Автор Жалоба Опубликовано 28 Июля 2011 (изменено) Пары нефтепродуктов, т.е. присутствие газов легких фракции нефтепродукта примерный объем 3-5%; давление на линиях 10- 13 кгс/см2. мне не понятно большие потери дав ления? Изменено 28 Июля 2011 пользователем ciclon79 Цитата
bugor1956 142 Опубликовано 28 Июля 2011 Жалоба Опубликовано 28 Июля 2011 Micro Motion - вполне надежные и хорошие расходомеры.По крайней мере по опыту нашей эксплуатации(тьфу-тьфу ). для многофазных потоков непригодны а разве есть у нас толковые расходомеры для многофазных потоков ? что-то не припомню, всегда ограничение на свободный газ у всех расходомеров.недостаток единиц измерения - массовый расходомер, если переходить к обьему уже косвенный методвообще-то в РФ при учете положено измерять массу нефти и нефтепродукта. Поверка может осуществляться и на месте эксплуатации(что чаще всего) разными ПУ(ТПУ с плотномерами, массомерными установками и т.д.)так и в поверочных органах. Так что особых проблем нет. осадок по достоверности, особенно при реальном потоке А на реальном потоке "осадок" есть у всех типов расходомеров. В итоге- применение массовых расходомеров очень часто уменьшает головную боль у метрологов, за счет уменьшения влияния давления, плотности и вязкости и температуры измеряемого потока Цитата
east 212 Опубликовано 28 Июля 2011 Жалоба Опубликовано 28 Июля 2011 Плюс массомеров в отличие от ТПР - устойчивая работа даже если куски грязи летят. ТПР при таком раскладе просто могут пострадать и давать сбои в работе. Цитата
Polyarnik 1 Опубликовано 28 Октября 2011 Жалоба Опубликовано 28 Октября 2011 Пары нефтепродуктов, т.е. присутствие газов легких фракции нефтепродукта примерный объем 3-5%; давление на линиях 10- 13 кгс/см2. Эксплуатируем массомеры Micro Motion CMF 400 более 4 лет на товарной нефти. Особых нареканий пока нет. Не совсем понятно - пары присутствуют в жидкости в виде пузырьков газа или в растворенном состоянии? При эксплуатации массомеров многофазность потока значительно влияет на погрешность измерений. И в соответствии с действующей НД содержание свободного газа не допускается. Это может привести к существенным ошибкам. Во вложении статья о зависимости погрешности результатов измерений массомера (на примере Rotamass) от наличия в потоке твердых включений и пузырьков газа. Есть формулы для расчета необходимого минимального избыточного давления после массомера, чтобы исключить появление свободного газа, например: Р = 2,06 х Рн + 2 х ΔР, где Рн - давление насыщенных паров (по ГОСТ 1756) при максимальной температуре продукта, МПа; ΔР - перепад давления на массомере, указанный в техническом паспорте на тип, МПА. Рассчитайте для своих условий - если вашего давления будет достаточно, то особых проблем возникнуть не должно. Не забывайте о необходимости корректировки влияния давления на точность измерений массомера (в Micro Motion имеется соответствующая функция). Статья в ЗиПМ 4_2006 (15 июня) о измерении расхода двухфазных потоков с применением расходомеров кориолисового типа.pdf Цитата
Шарипов 118 Опубликовано 3 Июля 2012 Жалоба Опубликовано 3 Июля 2012 С какой периодичностью проверяют "Live zero". Цитата
Старый 8 Опубликовано 4 Июля 2012 Жалоба Опубликовано 4 Июля 2012 С какой периодичностью проверяют "Live zero". Как правило (и это прописывают в инструкциях эксплуатации СИКН), проверку смещения нуля проводят при КМХ и поверке массомеров. В "Рекомендациях по определению массы нефти при учетных операциях с применением СИКН" ссылка на техническое описание массомера, но там также нет конкретики: "проверять периодически" и т.п. Цитата
Шарипов 118 Опубликовано 5 Июля 2012 Жалоба Опубликовано 5 Июля 2012 С какой периодичностью проверяют "Live zero". Как правило (и это прописывают в инструкциях эксплуатации СИКН), проверку смещения нуля проводят при КМХ и поверке массомеров. В "Рекомендациях по определению массы нефти при учетных операциях с применением СИКН" ссылка на техническое описание массомера, но там также нет конкретики: "проверять периодически" и т.п. И как определяется допуск? Сравнением со значением стабильности нуля? Цитата
massomer 0 Опубликовано 1 Октября 2015 Жалоба Опубликовано 1 Октября 2015 Добрый день! Дабы не плодить темы, спрошу сдесь. Введён в эксплуатацию узел учёта нефтепродукта в составе трёх CMF300 (основной резервный и резервно-контрольный) расходомеры поверены каждый на максимальный расход 134т/ч, расход общий 245т/ч, поэтому всегда работают два массомера в СОИ результат суммируется. Вопрос - как правильно расчитать суммарную погрешность определения массы всего узла учёта? Цитата
nebolsinav 0 Опубликовано 1 Октября 2015 Жалоба Опубликовано 1 Октября 2015 Есть недостатки - большие потери давления, чувствительны к вибрациям Буду очень признателен, если кто-то сможет дать конкретные цыфры по величине предельной вибрации для CMF-300, т.е. что бы можно было четко сказать: "существующая вибрация превышает допустимую величину", ну или не превышает. Цитата
gsa 9 Опубликовано 6 Октября 2015 Жалоба Опубликовано 6 Октября 2015 как правильно расчитать суммарную погрешность определения массы всего узла учёта? А у Вас нет описания типа, методики поверки и инструкции на весь узел в целом? Обычно там это всё прописано. Цитата
east 212 Опубликовано 6 Октября 2015 Жалоба Опубликовано 6 Октября 2015 Плюс к вышесказанному - ГОСТ 8.595 - Масса нефти и нефтепродуктов п. 5,1, п. 5,8 Цитата
massomer 0 Опубликовано 15 Октября 2015 Жалоба Опубликовано 15 Октября 2015 А у Вас нет описания типа, методики поверки и инструкции на весь узел в целом? Обычно там это всё прописано. Добрый день, во вложении часть методики поверки, но в формуле (4) отсутствует погрешность второй измерительной линии, или отсутствие этой погрешности правильно? мп.doc Цитата
east 212 Опубликовано 16 Октября 2015 Жалоба Опубликовано 16 Октября 2015 Т.к. массомеры у вас стоят параллельно, а не последовательно, то считаете отдельно по каждой линии. Цитата
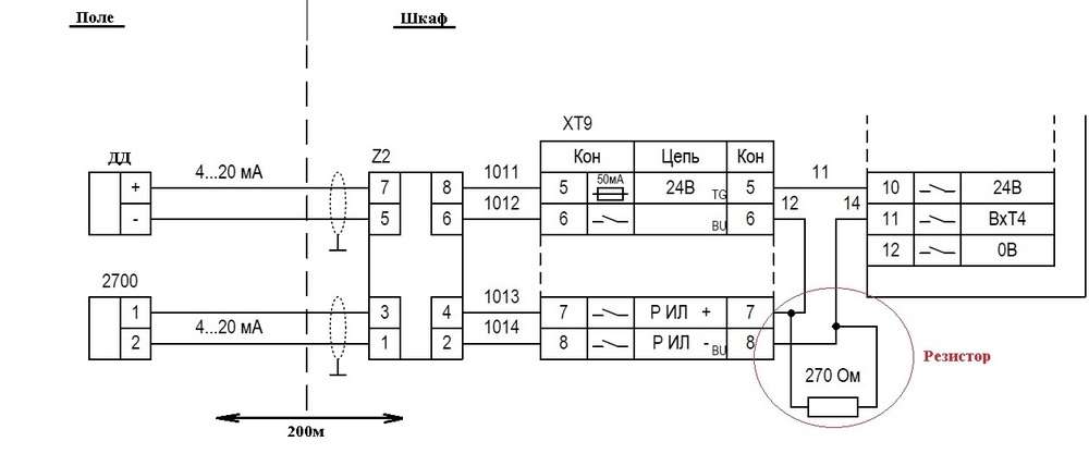
Metrolog11111 0 Опубликовано 10 Марта 2017 Жалоба Опубликовано 10 Марта 2017 Добрый день. У нас на предприятии установлены расходомеры Micro Motion CMF400. Возникает проблема с коррекцией по давлению. На одном из трансмиттеров зависает показание давления. В схеме установлен резистор на 250 Ом, может в нем причина? При перезапуске массомера показания появляются, но могут зависнуть без какой либо причины в любой момент. Кто нибудь сталкивался с данной проблемой? Заранее спасибо. Цитата
Comrad 74 Опубликовано 13 Марта 2017 Жалоба Опубликовано 13 Марта 2017 В какой части подключен резистор? Исполнение CMF (распоожение процессора) и соединение с трансмиттером как выполнено? Расстояние? Цитата
Metrolog11111 0 Опубликовано 13 Марта 2017 Жалоба Опубликовано 13 Марта 2017 Резистор подключен непосредственно в шкафу, за 200м от самого трансмиттера с массомером (см.схему). Трансмиттер непосредственно рядом с массомером (1м) (схема-поле). Модель массомера и трансмиттера: CMFHC2M822N4BZEZZZ - 2700R12ABFEZZZ. По модели - 4-х проводный выносной интегральный усовершенствованный базовый процессор в алюминиевом корпусе с полиуретановым покрытием для преобразователей удаленного монтажа. Цитата
Comrad 74 Опубликовано 13 Марта 2017 Жалоба Опубликовано 13 Марта 2017 Резистор последовательно с датчиком включается для подключения харт-модема. В обычной токовой цепи он влияния не оказывает. Но вот вариант включения двух токовых датчиков последовательно, честно говоря, вижу в первый раз. Тут сразу и не скажу. Трансмиттер оказался включенным вместо харт-модема (параллельно сопротивлению). Может ошибка в нарисованной схеме? В конфигурации трансмиттера какой сигнал отправлен на токовый выход? Если можно, поясните что корректирует датчик давления. Цитата
Metrolog11111 0 Опубликовано 22 Марта 2017 Жалоба Опубликовано 22 Марта 2017 Ошибки нет, всё так и есть. Датчик давления корректирует расход жидкости в массомере. Поменял резистор с 250 Ом на 750 Ом, показания появились. Буду наблюдать. Может где наводка?! Цитата
Triac 8 Опубликовано 24 Марта 2017 Жалоба Опубликовано 24 Марта 2017 Была такая проблема, причина в экране кабеля между трансмиттером и датчиком, экран был заземлен с двух сторон (со стороны датчика касался корпуса кабельного ввода), соответственно перетекающие токи и наводки... Цитата
east 212 Опубликовано 24 Марта 2017 Жалоба Опубликовано 24 Марта 2017 (изменено) Столкнулись с проблемой на трех линиях, три массомера CMF 300 ведут себя одинаково: при кусочно-линейной аппроксимации в СОИ К-фактор на верхнем рабочем диапазоне (у них 140т) уплывает - на 5000 импульсов меньше остальных диапазонов. Соответственно погрешность поддиапазона вылезает в 1%, при допустимой 0,2 и 0,25. Отчего может быть так? Протечек нет. Давление, температура, плотность - стабильны. Пробовали на другом контроллере - тоже самое. Причем все три вот так одинаково показывают уменьшение коэффициента на верхнем поддиапазоне. Изменено 24 Марта 2017 пользователем east Цитата
Comrad 74 Опубликовано 27 Марта 2017 Жалоба Опубликовано 27 Марта 2017 (изменено) В 22.03.2017 в 13:24, Metrolog11111 сказал: Ошибки нет, всё так и есть. Датчик давления корректирует расход жидкости в массомере. Поменял резистор с 250 Ом на 750 Ом, показания появились. Буду наблюдать. Может где наводка?! По схеме соединений получается что сигнал массомера пытается скорректировать сигнал датчика давления. И непонятно как. Резистор включен последовательно с датчиком давления. Массомер изменяет только напряжение на резисторе и влияет на напряжение питания датчика давления. Ток во входной цепи вторичного прибора (кстати какого?) определяется выходом датчика давления. Возможно дополнительным сопротивлением вы подняли входное сопротивление вторичника. Составьте принципиальную схему и уравнения Киргофа. Тогда увидите как зависит входной ток на вторичном приборе от выходных сигналов датчиков. Изменено 27 Марта 2017 пользователем Comrad Цитата
Triac 8 Опубликовано 29 Марта 2017 Жалоба Опубликовано 29 Марта 2017 (изменено) В 27.03.2017 в 07:33, Comrad сказал: По схеме соединений получается что сигнал массомера пытается скорректировать сигнал датчика давления. Датчик ничего не пытается, он работает по цифровому Hart протоколу и выдает давление и др. параметры. Массомер программно корректирует свои показания на основе данных получаемых от датчика. Сопротивления нужно для считывания цифрового сигнала путем измерения падения напряжения при изменении тока +-0,5мА, частотой 2200 Гц или 1200 Гц, соответственно 0 или 1. Обычно помехи возникают при прокладке кабеля вместе с силовыми, и высокочастотными линиями. Кроме того обл. персонал мог что то намудрить с адресацией. Если увеличение сопротивления помогло, вероятно это связано с помехами, соответственно нужно проверить экранирование, заземление д.б. с одной стороны, кроме того иногда сращивают кабели ищите скрутки. Ну и естественно нужно проверять клеммные коробки и их заземление. Изменено 29 Марта 2017 пользователем Triac Цитата
Triac 8 Опубликовано 29 Марта 2017 Жалоба Опубликовано 29 Марта 2017 В 25.03.2017 в 00:29, east сказал: Причем все три вот так одинаково показывают уменьшение коэффициента на верхнем поддиапазоне. Если можно по подробнее, тип контроллера, тип гальванической развязки (оптопары) если есть. Осциллограф подключали, смотрели качество переднего и заднего фронтов сигнала на проблемной частоте? Предлагаю Вам отключить массомер и имитатором (TRX, МС5R, УПВА) отправить в контроллер пачку импульсов (меандр) нужной частоты и амплитуды, и сравнить с показаниями контроллера, в принципе не должно быть потерь импульсов вообще. Исходя из результата можно делать выводы. Цитата
37 сообщений в этой теме
Рекомендуемые сообщения
Присоединиться к обсуждению
Вы можете ответить сейчас, а зарегистрироваться позже. Если у вас уже есть аккаунт, войдите, чтобы ответить от своего имени.